Page 2 of 7
Re: Custom I2C sensor problem
Posted: 13 Jan 2011, 16:09
by nikzagvit
aswin0 There are good news in sensor building?
Re: Custom I2C sensor problem
Posted: 13 Jan 2011, 17:32
by aswin0
No, not yet.
I haven't got this sensor working. Therefore I have decided to get some experience with a simpler device first. For this I bought a blinkM all color led. It is also I2C device but it works on a wide power range. First I will try to get this sensor to work on 4.8V. Once I got that working I'll try to get it to work on 3.3V. if that works I'll swap it with the IMU.
I also bought a bus pirate so I can monitor the I2C lines. To finish it of I bought a RJ45 break out board, this allows me to get rid of the loose cables on my breadboard, just to make sure these can't be the problem.
All the stuff arrived yesterday. I didn't have the chance to play with it yet but tomorrow is my day off.
So I'm not giving up. But it is going to be an expensive sensor. I sure hope it brings me what I want.
Re: Custom I2C sensor problem
Posted: 13 Jan 2011, 18:40
by nikzagvit
Thanks for the answer, this subject is very interesting to me, I as well as you want to acquire this IMU Digital Combo Board for my project.
Re: Custom I2C sensor problem
Posted: 13 Jan 2011, 18:54
by mightor
If you're feeling brave, you could always drive to Rotterdam to try and get it working
- Xander
Re: Custom I2C sensor problem
Posted: 13 Jan 2011, 22:34
by aswin0
mightor wrote:If you're feeling brave, you could always drive to Rotterdam to try and get it working
- Xander
I will consider this when I don't have any success tomorrow. And bravery has nothing to do with it. After all, I was born in Rotterdam.
Re: Custom I2C sensor problem
Posted: 14 Jan 2011, 00:12
by gloomyandy
I think there are a few of us following this project with interest. That is a very interesting sensor and it would be good to see it working. But it is so easy to "let the magic smoke out" of these things. A few years ago I built a cnc milling machine that used stepper motors that operated at 40V. I built my own motor controller and I managed to destroy rather a lot of controller chips in the learning process!
Good luck...
Andy
Re: Custom I2C sensor problem
Posted: 14 Jan 2011, 06:10
by mightor
aswin0 wrote:I will consider this when I don't have any success tomorrow. And bravery has nothing to do with it. After all, I was born in Rotterdam.
Ah a native! The bravery was more in reference to the distance from where I know you live now
Let us know how it goes with the sensor!
- Xander
Re: Custom I2C sensor problem
Posted: 14 Jan 2011, 14:27
by aswin0
aswin0 wrote:
I haven't got this sensor working. Therefore I have decided to get some experience with a simpler device first. For this I bought a blinkM all color led. It is also I2C device but it works on a wide power range. First I will try to get this sensor to work on 4.8V. Once I got that working I'll try to get it to work on 3.3V. if that works I'll swap it with the IMU.
An update on the progress thus far.
I got the blinkM led working, first on 4.8V and now on 3.3V. From this I conclude that the wiring must be ok, that the 3.3V power supply must be ok, that the pull ups must be ok and that my software must be ok.
Then I took my new IMU unit, removed the resistors from the board, soldered some pins on it and swapped the blinkM for this IMU and started testing again. No luck whatsoever.

I still got the same general error.
Next step is to call in the bus pirate. Any suggestions for a good terminal program for windows?
I need a break, advise and encouragement.
Re: Custom I2C sensor problem
Posted: 14 Jan 2011, 14:57
by gloomyandy
Hi aswin,
Sounds like you are having fun. What sort of terminal program do you need? Does it need to talk to serial port? I tend to use putty a lot and I think it can talk to serial port but I've never used it that way...
If you have the time (and can be bothered) I think a circuit diagram of how you have things connected to the board would help us understand how you now have things configured... Is the IMU a new one or is it the same one you used for your previous tests? Do you have any way of checking that you did not damage it it with the previous experiments?
Have a break, some tea/coffee and relax! Remember this is meant to be fun!
Good luck
Andy
Re: Custom I2C sensor problem
Posted: 14 Jan 2011, 16:29
by aswin0
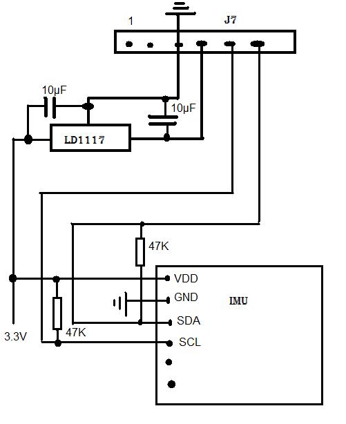
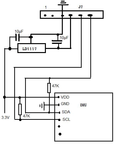
Hi,
Sure I'm having fun, I won't be discouraged that easy.
It's a new IMU that I used today (because I'm not sure of the old one). I can test the IMU using the bus pirate I bought, but then I need a terminal program and I need to master the bus pirate, this won't be overnight I guess.
Here is the scheme I use. Note that I removed to resistors from the IMU.

- IMU scheme.jpg (27.06 KiB) Viewed 15901 times